Attention : Cet article n'est plus actif. Vous pouvez trouver l’article actuel ici : 1187838 / Bride de fixation 2056 pied W, simple, plaque de pression en matière plastique, A2

Bride de fixation rapide, plaque de pression simple en matière plastique, A2

Réf. 1185470 | EAN 4012195079637

Description du produit
Description du produit
Convient pour les cornières d'une longueur de côté de 40 mm;
bride et vis en acier inoxydable,
plaque de pression en polypropylène, sans halogène, gris clair RAL 7035.
  • sans halogène ; sans chlore, fluor et brome
  • Communautés Européennes, déclaration de conformité CE selon les directives CE
  • Cornière
  • Empreinte CO₂ (PCF)
Caractéristiques techniques

Caractéristiques techniques

Avec contre-plaque non
Avec patin de pression en plastique oui
Avec patin de pression métallique non
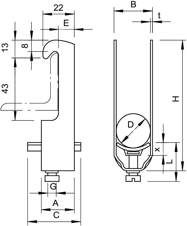
Cote A 25 mm
Cote B 51 mm
Cote C 40 mm
Cote L 55 mm
Cote t 2 mm
Cote x 5,5 mm
Dimension 40-46mm
Dimension E 13,5 mm
Dimension G (mm) M8
Dimension H 111 mm
Empreinte CO2 (GWP) du berceau à la porte 0,7675 kg CO₂e / 1 Pièce
Matériau acier inoxydable 1.4301
Matériau de la plaque Plastique
Max. Couple de serrage 5 Nm
Nombre de câbles/tubes 1
Plage de serrage D max. 46 mm
Plage de serrage D min. 40 mm
pour 1 câble H 111 mm
pour 1 câble L 31,5
pour diamètre de tube max. 40 mm
pour diamètre de tube min. 40 mm
Qualité du matériau de la plaque Polypropylène
Résistant aux chocs non
Sans halogène oui
Supplément matériau acier inoxydable
Supplément surface non traité
Surface nu, traité
Type de montage Cornière lourde
Tous les types

Tous les types

Type Plage de serrage D min. Plage de serrage D max. Max. Couple de serrage Réf. Quantité Plus petite unité de vente
2056W 22 A2 16 mm 22 mm 3 Nm 1185438
50 Pièce
2056W 34 A2 28 mm 34 mm 5 Nm 1185454
50 Pièce
2056W 40 A2 34 mm 40 mm 5 Nm 1185462
25 Pièce
2056W 46 A2 40 mm 46 mm 5 Nm 1185470
25 Pièce
2056W 52 A2 46 mm 52 mm 5 Nm 1185489
25 Pièce
Téléchargements

Télécharger

Déclaration de conformité UE 2056W 46 A2 / 1185470 , 0.13MB , pdf
Télécharger

2056W 46 A2 / 1185470
Télécharger