Attention : Cet article n'est plus actif. Vous pouvez trouver l’article actuel ici : 1186869 / Bride de fixation 2056 pied U, simple, plaque de pression en matière plastique, A2

Bride de fixation rapide, plaque de pression simple en matière plastique, A2

Réf. 1178628 | EAN 4012195075196

Description du produit
Description du produit
Convient à tous les rails profilés en C d'une ouverture de 18 et 22 mm.

Plaque de pression en polypropylène, sans halogène, couleur gris clair RAL 7035.
  • sans halogène ; sans chlore, fluor et brome
  • Communautés Européennes, déclaration de conformité CE selon les directives CE
  • Bride de fixation BBS pour rail profilé en C avec une ouverture de 18-22 mm
  • Ouverture : 18 mm
  • Ouverture : 22 mm
  • Empreinte CO₂ (PCF)
Caractéristiques techniques

Caractéristiques techniques

Avec contre-plaque non
Avec patin de pression en plastique oui
Avec patin de pression métallique non
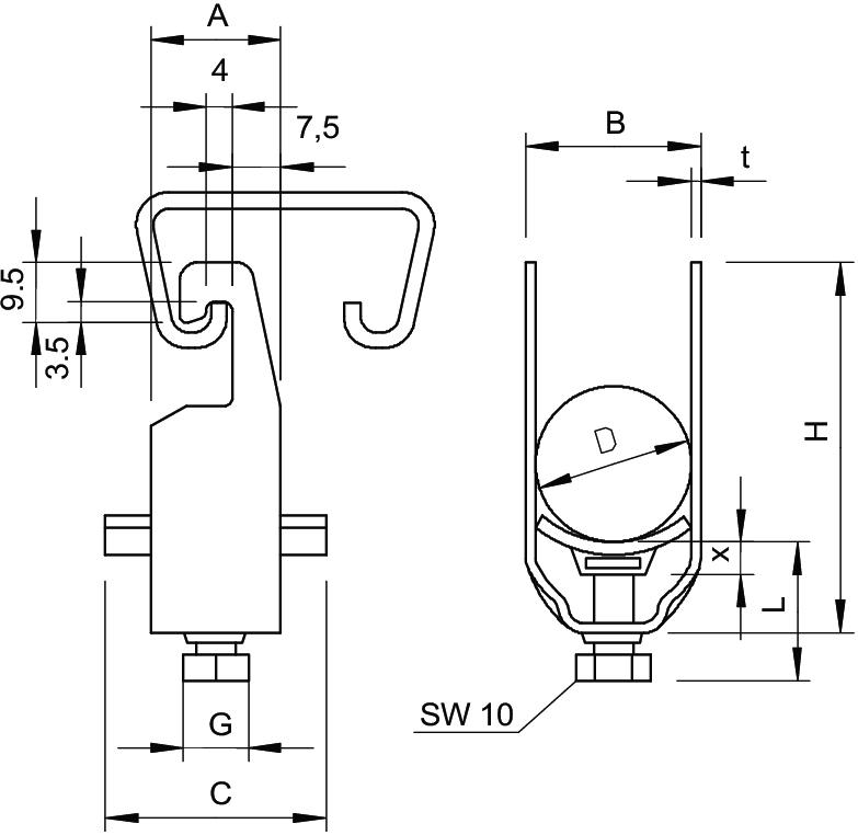
Cote A 23 mm
Cote B 76 mm
Cote C 40 mm
Cote L 38,5 mm
Cote t 2,5 mm
Cote x 6,5 mm
Dimension 64-70mm
Dimension G (mm) M8
Dimension H 103 mm
Empreinte CO2 (GWP) du berceau à la porte 0,6465 kg CO₂e / 1 Pièce
Matériau acier inoxydable 1.4301
Matériau de la plaque Plastique
Max. Couple de serrage 5 Nm
Nombre de câbles/tubes 1
Plage de serrage D max. 70 mm
Plage de serrage D min. 64 mm
pour 1 câble H 103 mm
pour 1 câble L 38,5
Pour rail avec largeur de fente (avec intervalle) max. 22 mm
Pour rail avec largeur de fente (avec intervalle) min. 18 mm
Qualité du matériau de la plaque Polypropylène
Résistant aux chocs non
Sans halogène oui
Supplément matériau acier inoxydable
Supplément surface non traité
Surface nu, traité
Type de montage Rail profilé
Tous les types

Tous les types

Type Plage de serrage D min. Plage de serrage D max. Max. Couple de serrage Réf. Quantité Plus petite unité de vente
2056U 12 A2 8 mm 12 mm 3 Nm 1178504
50 Pièce
2056U 28 A2 22 mm 28 mm 3 Nm 1178539
50 Pièce
2056U 52 A2 46 mm 52 mm 5 Nm 1178571
25 Pièce
2056U 70 A2 64 mm 70 mm 5 Nm 1178628
15 Pièce
Téléchargements

Télécharger

Déclaration de conformité UE 2056U 70 A2 / 1178628 , 0.13MB , pdf
Télécharger

2056U 70 A2 / 1178628
Télécharger