Attention : Cet article n'est plus actif. Vous pouvez trouver l’article actuel ici : 1187926 / Bride de fixation 2056 pied W, simple, plaque de pression en matière plastique, Al

Bride de fixation rapide, plaque de pression simple en matière plastique, ALU

Réf. 1184040 | EAN 4012195437895

2 Nm
Description du produit
Description du produit
Convient également pour les cornières de 40 mm ; colliers de serrage et vis en aluminium ALMg3, plaque de pression en polypropylène, sans halogène, gris clair RAL 7035.

Les brides de fixation rapide 2056/W ALU sont adaptées, dans leur variante pour 1 câble d‘après la norme VDE 0298-1, à la pose unique de câbles unifilaires dans des réseaux triphasés, puisqu‘il n‘existe pas de circuit magnétique fermé dans ce cas. Il faut cependant prendre en compte de la faible résistance mécanique des brides en aluminium en cas de court-circuit, en d'autres termes: la distance entre les brides doit être plus étroit que possible dans le sens longitudinal, éspacement latéral entre les câbles doit être suffisant.

  • sans halogène ; sans chlore, fluor et brome
  • Communautés Européennes, déclaration de conformité CE selon les directives CE
  • Cornière
  • Empreinte CO₂ (PCF)
Caractéristiques techniques

Caractéristiques techniques

Avec contre-plaque non
Avec patin de pression en plastique oui
Avec patin de pression métallique non
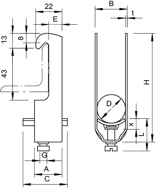
Cote A 23 mm
Cote B 39 mm
Cote C 34 mm
Cote L 31,5 mm
Cote t 2 mm
Cote x 5,5 mm
Dimension 28-34mm
Dimension E 11 mm
Dimension G (mm) M8
Dimension H 99 mm
Empreinte CO2 (GWP) du berceau à la porte 0,4394 kg CO₂e / 1 Pièce
Matériau aluminium
Matériau de la plaque Plastique
Max. Couple de serrage 2 Nm
Nombre de câbles/tubes 1
Plage de serrage D max. 34 mm
Plage de serrage D min. 28 mm
pour 1 câble H 99 mm
pour 1 câble L 31,5
pour diamètre de tube max. 32 mm
pour diamètre de tube min. 32 mm
Qualité du matériau de la plaque Polypropylène
Résistant aux chocs non
Sans halogène oui
Supplément matériau aluminium
Supplément surface non traité
Type de montage Cornière lourde
Tous les types

Tous les types

Type Plage de serrage D min. Plage de serrage D max. Max. Couple de serrage Réf. Quantité Plus petite unité de vente
2056W 22 ALU 16 mm 22 mm 2 Nm 1184024
50 Pièce
2056W 34 ALU 28 mm 34 mm 2 Nm 1184040
50 Pièce
2056W 40 ALU 34 mm 40 mm 2 Nm 1184059
50 Pièce
Téléchargements

Télécharger

Déclaration de conformité UE 2056W 34 ALU / 1184040 , 0.13MB , pdf
Télécharger

2056W 34 ALU / 1184040
Télécharger