Attention : Cet article n'est plus actif. Vous pouvez trouver l’article actuel ici : 1186016 / Bride de fixation 2056 pied H, simple, plaque de pression en métal, FT

Bride de fixation rapide, plaque de pression simple en métal, FT

Réf. 1156020 | EAN 4012195062837

Description du produit
Description du produit
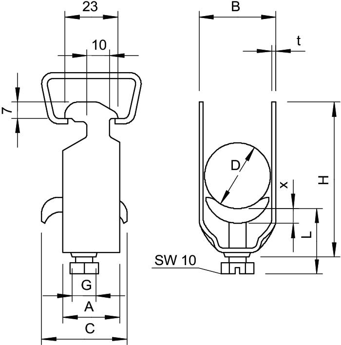
Convient à tous les rails profilés en C d'une ouverture de 16 à 17 mm.
Bride, vis et plaque de pression en acier galvanisé à chaud
Modèle avec écrou à souder et/ou contre-écrou destiné à une utilisation dans des conditions difficiles et nécessitant et résistance aux secousses sur demande!
  • Communautés Européennes, déclaration de conformité CE selon les directives CE
  • Bride de fixation BBS pour rail profilé en C avec une ouverture de 16-17 mm
  • Ouverture : 16-17 mm
  • Classe de sécurité de fonctionnement E30
  • Classe de sécurité de fonctionnement E90
  • Empreinte CO₂ (PCF)
Caractéristiques techniques

Caractéristiques techniques

Avec contre-plaque non
Avec patin de pression en plastique non
Avec patin de pression métallique oui
Cote A 23 mm
Cote B 27 mm
Cote C 30 mm
Cote L 46,5 mm
Cote t 1,5 mm
Cote x 4,5 mm
Dimension 16-22mm
Dimension G (mm) M6
Dimension H 50 mm
Empreinte CO2 (GWP) du berceau à la porte 0,0912 kg CO₂e / 1 Pièce
Matériau acier
Matériau de la plaque Acier
Max. Couple de serrage 3 Nm
Nombre de câbles/tubes 1
Plage de serrage D max. 22 mm
Plage de serrage D min. 16 mm
pour 1 câble H 50 mm
pour 1 câble L 46,5
pour diamètre de tube max. 20 mm
pour diamètre de tube min. 20 mm
Pour rail avec largeur de fente (avec intervalle) max. 17 mm
Pour rail avec largeur de fente (avec intervalle) min. 16 mm
Résistant aux chocs non
Sans halogène non
Supplément matériau acier
Supplément surface galvanisé à chaud
Surface galvanisé à chaud par trempage
Type de montage Rail profilé
Tous les types

Tous les types

Type Plage de serrage D min. Plage de serrage D max. Max. Couple de serrage Réf. Quantité Plus petite unité de vente
2056 M 22 FT 16 mm 22 mm 3 Nm 1156020
100 Pièce
2056 M 46 FT 40 mm 46 mm 5 Nm 1156063
100 Pièce
Téléchargements

Télécharger

Déclaration de conformité UE 2056 M 22 FT / 1156020 , 0.13MB , pdf
Télécharger

2056 M 22 FT / 1156020
Télécharger