Échelle à câbles LCIS 60, 3 m C30 FS

Réf. 6209610 | EAN 4012196487578

3000 mm
1,5 mm
non
Description du produit
Description du produit
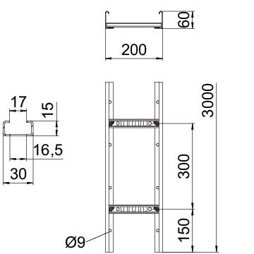
Échelle à câbles d'une hauteur latérale de 60 mm avec échelons soudés à profilé C30 ouvert vers le haut. Longeron latéral enroulé pour le renforcement et la protection des bords. La fixation sur console s'effectue avec des pièces de serrage de type LKS 40. La fente de l'échelon mesure 16,5 mm. La bride de fixation correspondante est de type BS-H....
Atténuation magnétique du blindage sans couvercle 10 dB, avec couvercle 15 dB.
  • Communautés Européennes, déclaration de conformité CE selon les directives CE
  • Déclaration de conformité UKCA
  • Échelles à câbles, hauteur d'aile 60 mm
  • Déclaration environnementale de produits (EPD)
  • Empreinte CO₂ (PCF)
Caractéristiques techniques

Caractéristiques techniques

Acier inoxydable, décapé non
Coloris zinc
Cote B 200 mm
Dimension 60x200x3000
Écart entre échelons 300 mm
Écart entre supports 1,5 m 3,3 kN/m
Écart entre supports 2,0 m 2 kN/m
Écart entre supports 2,5 m 1,3 kN/m
Écart entre supports 3,0 m 1 kN/m
Écart entre supports 3,5 m 0,78 kN/m
Écart entre supports 4,0 m 0,4 kN/m
Écart entre supports 4,5 m 0,3 kN/m
Écart entre supports 5,0 m 0,2 kN/m
Empreinte CO2 (GWP) du berceau à la porte 6,4364 kg CO2e / 1 Mètre
Épaisseur du longeron 1,5 mm
Fente de l’échelon 17,00
Fixation des échelons soudé
Hauteur 60 mm
Largeur 200 mm
Longueur 3000 mm
Maintien en fonction non
Matériau acier
Modèle de longeron latéral Profilé plat
Modèle des échelons Profilé perforé
Modèle longue portée non
Perforation latérale oui
Section utile 8000 mm²
Section utile 80 cm²
Surface galvanisé sendzimir

Caractéristiques techniques

Diagramme de charge échelle à câbles type LCIS 60

Diagramme de charge échelle à câbles type LCIS 60
  • Charge de chemins de câbles/d'échelles à câbles en kN/m sans charge d'homme Charge de chemins de câbles/d'échelles à câbles en kN/m sans charge d'homme
  • Portée en m Portée en m
  • Déflexion de l'aile en mm avec kN/m autorisé Déflexion de l'aile en mm avec kN/m autorisé
  • Schéma de charge pour le procédé de contrôle Schéma de charge pour le procédé de contrôle
  • Courbe de charge avec largeur du chemin de câbles/de l'échelle à câbles en mm Courbe de charge avec largeur du chemin de câbles/de l'échelle à câbles en mm
  • Courbe de déflexion de l'aile en fonction de l'écartement Courbe de déflexion de l'aile en fonction de l'écartement
Tous les types

Tous les types

Type Longueur Largeur Épaisseur du longeron Maintien en fonction Réf. Quantité Plus petite unité de vente
LCIS 610 3 FS 3000 mm 100 mm 1,5 mm non 6209608
3 m
LCIS 620 3 FS 3000 mm 200 mm 1,5 mm non 6209610
3 m
LCIS 630 3 FS 3000 mm 300 mm 1,5 mm non 6209612
3 m
LCIS 640 3 FS 3000 mm 400 mm 1,5 mm non 6209614
3 m
LCIS 650 3 FS 3000 mm 500 mm 1,5 mm non 6209616
3 m
LCIS 660 3 FS 3000 mm 600 mm 1,5 mm non 6209618
3 m
Accessoires

Accessoires système

Produits Type Réf. Quantité Plus petite unité de vente
Couvercle avec verrou tournant FS Couvercle avec verrou tournant FS DRL 200 FS 6052207
6 m
Raccord droit FS Raccord droit FS LVG 60 FS 6208840
10 Pièce
Raccord coudé FS Raccord coudé FS LWVG 60 FS 6208895
10 Pièce
Raccord articulé FS Raccord articulé FS LGVG 60 FS 6208941
10 Pièce
Éclisse multifonction FS Éclisse multifonction FS LMFV 620 FS 6225710
1 Pièce
Coude à 90° 60 FS Coude à 90° 60 FS LB 90 620 R3 FS 6225042
1 Pièce
Pièce en T 60 FS Pièce en T 60 FS LT 620 R3 FS 6225210
1 Pièce
Dérivation à monter 60 FS Dérivation à monter 60 FS LAA 620 R3 FS 6225850
1 Pièce
Élément de coude articulé 60 FS Élément de coude articulé 60 FS LGBE 620 FS 6225450
1 Pièce
Embout de protection 60 Embout de protection 60 SKH 60 OR 6222537
40 Paire
Pièce de raccordement FS Pièce de raccordement FS LAS 60 FS 6221351
10 Pièce
Séparateur (moulure) 45 FS Séparateur (moulure) 45 FS TSG 45 FS 6062033
3 m
Tôle d'angle FS Tôle d'angle FS LEB 25 FS 6221203
1 Pièce
Tôle de fond FS Tôle de fond FS ELB-L 20 FS 6103235
3 m
Téléchargements

Télécharger

Déclaration de conformité UE LCIS 620 3 FS / 6209610 , 0.13MB , pdf
Télécharger
Déclaration de conformité du Royaume-Uni LCIS 620 3 FS / 6209610 , 0.09MB , pdf
Déclaration environnementale de produit (EPD) LCIS 620 3 FS / 6209610 , 1.48MB , pdf
Télécharger

Télécharger

LCIS 620 3 FS / 6209610
Télécharger