Échelle à câbles LCIS 60, 6 m C30 A4

Réf. 6207202 | EAN 4012196431960

6000 mm
1,5 mm
non
Description du produit
Description du produit
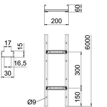
Échelle à câbles d'une hauteur latérale de 60 mm avec échelons soudés à profilé C30 ouvert vers le haut. Longeron latéral enroulé pour le renforcement et la protection des bords. La fixation sur console s'effectue avec des pièces de serrage de type LKS 40. La fente de l'échelon mesure 16,5 mm. La bride de fixation correspondante est de type 2056.
Atténuation magnétique du blindage sans couvercle 10 dB, avec couvercle 15 dB.
  • Communautés Européennes, déclaration de conformité CE selon les directives CE
  • Déclaration de conformité UKCA
  • Échelles à câbles, hauteur d'aile 60 mm
  • Déclaration environnementale de produits (EPD)
  • Empreinte CO₂ (PCF)
Caractéristiques techniques

Caractéristiques techniques

Acier inoxydable, décapé oui
Coloris acier inoxydable
Cote B 200 mm
Dimension 60x200x6000
Écart entre échelons 300 mm
Écart entre supports 1,5 m 3,3 kN/m
Écart entre supports 2,0 m 2 kN/m
Écart entre supports 2,5 m 1,3 kN/m
Écart entre supports 3,0 m 1 kN/m
Écart entre supports 3,5 m 0,78 kN/m
Écart entre supports 4,0 m 0,4 kN/m
Écart entre supports 4,5 m 0,3 kN/m
Écart entre supports 5,0 m 0,2 kN/m
Empreinte CO2 (GWP) du berceau à la porte 13,5051 kg CO2e / 1 Mètre
Épaisseur du longeron 1,5 mm
Fente de l’échelon 17,00
Fixation des échelons soudé
Hauteur 60 mm
Largeur 200 mm
Longueur 6000 mm
Maintien en fonction non
Matériau Acier, inoxydable 1.4571
Modèle de longeron latéral Profilé plat
Modèle des échelons Profilé perforé
Modèle longue portée non
Perforation latérale oui
Section utile 80 cm²
Section utile 8000 mm²
Surface nu, traité

Caractéristiques techniques

Diagramme de charge échelle à câbles type LCIS 60

Diagramme de charge échelle à câbles type LCIS 60
  • Charge de chemins de câbles/d'échelles à câbles en kN/m sans charge d'homme Charge de chemins de câbles/d'échelles à câbles en kN/m sans charge d'homme
  • Portée en m Portée en m
  • Déflexion de l'aile en mm avec kN/m autorisé Déflexion de l'aile en mm avec kN/m autorisé
  • Schéma de charge pour le procédé de contrôle Schéma de charge pour le procédé de contrôle
  • Courbe de charge avec largeur du chemin de câbles/de l'échelle à câbles en mm Courbe de charge avec largeur du chemin de câbles/de l'échelle à câbles en mm
  • Courbe de déflexion de l'aile en fonction de l'écartement Courbe de déflexion de l'aile en fonction de l'écartement
Tous les types

Tous les types

Type Longueur Largeur Épaisseur du longeron Maintien en fonction Réf. Quantité Plus petite unité de vente
LCIS 620 6 A4 6000 mm 200 mm 1,5 mm non 6207202
6 m
LCIS 630 6 A4 6000 mm 300 mm 1,5 mm non 6207204
6 m
LCIS 640 6 A4 6000 mm 400 mm 1,5 mm non 6207206
30 m
LCIS 650 6 A4 6000 mm 500 mm 1,5 mm non 6207208
6 m
LCIS 660 6 A4 6000 mm 600 mm 1,5 mm non 6207210
6 m
Accessoires

Accessoires système

Produits Type Réf. Quantité Plus petite unité de vente
Couvercle avec verrou tournant A4 Couvercle avec verrou tournant A4 DRL 200 A4 6052981
3 m
Éclisses droites A4 Éclisses droites A4 LVG 60 A4 6208835
10 Pièce
Éclisse coudée A4 Éclisse coudée A4 LWVG 60 A4 6208891
10 Pièce
Éclisse articulée A4 Éclisse articulée A4 LGVG 60 A4 6208932
10 Pièce
Coude à 90° 60 A4 Coude à 90° 60 A4 LB 90 620 R3 A4 6225102
1 Pièce
Pièce en T 60 A4 Pièce en T 60 A4 LT 620 R3 A4 6225270
1 Pièce
Dérivation à monter 60 A4 Dérivation à monter 60 A4 LAA 620 R3 A4 6225894
1 Pièce
Élément de coude articulé 60 A4 Élément de coude articulé 60 A4 LGBE 620 A4 6225480
1 Pièce
Embout de protection 60 Embout de protection 60 SKH 60 OR 6222537
40 Paire
Séparateur 45 A4 Séparateur 45 A4 TSG 45 A4 6062028
3 m
Téléchargements

Télécharger

Déclaration de conformité UE LCIS 620 6 A4 / 6207202 , 0.13MB , pdf
Télécharger
Déclaration de conformité du Royaume-Uni LCIS 620 6 A4 / 6207202 , 0.09MB , pdf
Déclaration environnementale de produit (EPD) LCIS 620 6 A4 / 6207202 , 1.48MB , pdf
Télécharger

Télécharger

LCIS 620 6 A4 / 6207202
Télécharger