Échelle à câbles LCIS 60, 6 m C30 FT

Réf. 6209647 | EAN 4012196431809

6000 mm
1,5 mm
non
Description du produit
Description du produit
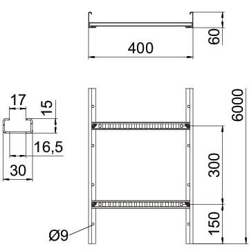
Échelle à câbles d'une hauteur latérale de 60 mm avec échelons soudés à profilé C30 ouvert vers le haut. Longeron latéral enroulé pour le renforcement et la protection des bords. La fixation sur console s'effectue avec des pièces de serrage de type LKS 40. La fente de l'échelon mesure 16,5 mm. La bride de fixation correspondante est de type 2056.
Atténuation magnétique du blindage sans couvercle 10 dB, avec couvercle 15 dB.
  • Communautés Européennes, déclaration de conformité CE selon les directives CE
  • Déclaration de conformité UKCA
  • Échelles à câbles, hauteur d'aile 60 mm
  • Déclaration environnementale de produits (EPD)
  • Empreinte CO₂ (PCF)
Caractéristiques techniques

Caractéristiques techniques

Acier inoxydable, décapé non
Coloris zinc
Cote B 400 mm
Dimension 60x400x6000
Écart entre échelons 300 mm
Écart entre supports 1,5 m 3,3 kN/m
Écart entre supports 2,0 m 2 kN/m
Écart entre supports 2,5 m 1,3 kN/m
Écart entre supports 3,0 m 1 kN/m
Écart entre supports 3,5 m 0,78 kN/m
Écart entre supports 4,0 m 0,4 kN/m
Écart entre supports 4,5 m 0,3 kN/m
Écart entre supports 5,0 m 0,2 kN/m
Empreinte CO2 (GWP) du berceau à la porte 7,3511 kg CO2e / 1 Mètre
Épaisseur du longeron 1,5 mm
Fente de l’échelon 16,50
Fixation des échelons soudé
Hauteur 60 mm
Largeur 400 mm
Longueur 6000 mm
Maintien en fonction non
Matériau acier
Modèle de longeron latéral Profilé plat
Modèle des échelons Profilé perforé
Modèle longue portée non
Perforation latérale oui
Section utile 160 cm²
Section utile 16000 mm²
Surface galvanisé à chaud par trempage

Caractéristiques techniques

Diagramme de charge échelle à câbles type LCIS 60

Diagramme de charge échelle à câbles type LCIS 60
  • Charge de chemins de câbles/d'échelles à câbles en kN/m sans charge d'homme Charge de chemins de câbles/d'échelles à câbles en kN/m sans charge d'homme
  • Portée en m Portée en m
  • Déflexion de l'aile en mm avec kN/m autorisé Déflexion de l'aile en mm avec kN/m autorisé
  • Schéma de charge pour le procédé de contrôle Schéma de charge pour le procédé de contrôle
  • Courbe de charge avec largeur du chemin de câbles/de l'échelle à câbles en mm Courbe de charge avec largeur du chemin de câbles/de l'échelle à câbles en mm
  • Courbe de déflexion de l'aile en fonction de l'écartement Courbe de déflexion de l'aile en fonction de l'écartement
Tous les types

Tous les types

Type Longueur Largeur Épaisseur du longeron Maintien en fonction Réf. Quantité Plus petite unité de vente
LCIS 620 6 FT 6000 mm 200 mm 1,5 mm non 6209643
6 m
LCIS 630 6 FT 6000 mm 300 mm 1,5 mm non 6209645
6 m
LCIS 640 6 FT 6000 mm 400 mm 1,5 mm non 6209647
6 m
LCIS 650 6 FT 6000 mm 500 mm 1,5 mm non 6209649
6 m
LCIS 660 6 FT 6000 mm 600 mm 1,5 mm non 6209651
6 m
Accessoires

Accessoires système

Produits Type Réf. Quantité Plus petite unité de vente
Couvercle avec verrou tournant FT Couvercle avec verrou tournant FT DRL 400 FT 6051413
6 m
Raccord droit FT Raccord droit FT LVG 60 FT 6208843
10 Pièce
Raccord articulé FT Raccord articulé FT LGVG 60 FT 6208944
10 Pièce
Éclisse de dilatation Éclisse de dilatation LDVG 60 FT 6208970
2 Pièce
Éclisse multifonction FT Éclisse multifonction FT LMFV 640 FT 6225734
1 Pièce
Coude à 90° 60 FT Coude à 90° 60 FT LB 90 640 R3 FT 6225066
1 Pièce
Pièce en T 60 FT Pièce en T 60 FT LT 640 R3 FT 6225234
1 Pièce
Dérivation 60 FT Dérivation 60 FT LAA 640 R3 FT 6225874
1 Pièce
Élément de coude articulé 60 FT Élément de coude articulé 60 FT LGBE 640 FT 6225474
1 Pièce
Embout de protection 60 Embout de protection 60 SKH 60 OR 6222537
40 Paire
Équerre de support Équerre de support LAW FT 6221513
10 Pièce
Pièce de raccordement FT Pièce de raccordement FT LAS 60 FT 6221378
10 Pièce
Séparateur (moulure) 45 DD Séparateur (moulure) 45 DD TSG 45 DD 6062321
3 m
Tôle de départ FT Tôle de départ FT LAB 40 FT 6220452
1 Pièce
Tôle de fond DD Tôle de fond DD ELB-L 40 DD 6103360
3 m
Téléchargements

Télécharger

Déclaration de conformité UE LCIS 640 6 FT / 6209647 , 0.13MB , pdf
Télécharger
Déclaration de conformité du Royaume-Uni LCIS 640 6 FT / 6209647 , 0.09MB , pdf
Déclaration environnementale de produit (EPD) LCIS 640 6 FT / 6209647 , 1.48MB , pdf
Télécharger

Télécharger

LCIS 640 6 FT / 6209647
Télécharger