Kit de protection MCD + V20 à 3 pôles avec signalisation à distance

Réf. 5089756 | EAN 4012195405535

5089756 / PS3-B+C TNC+FS
3
255 V
IP20
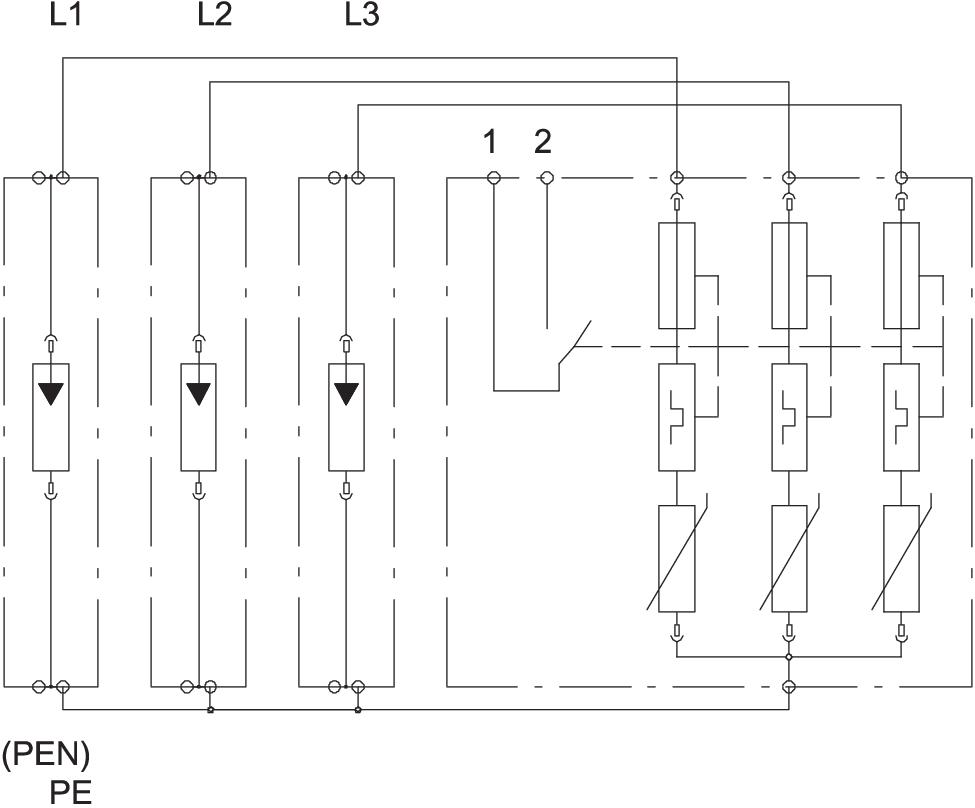
Description du produit
Description du produit
Kit de protection, parafoudre et parasurtenseur de type 1+2

• Capacité de dérivation 100 kA 10/350 µs, testé par le BET
• Prémonté et prêt à raccorder, avec ponts de raccordement, bornes de raccordement marquées
• Avec report d'alarme, contact de fermeture libre de potentiel, pour surveiller le fonctionnement
• À utiliser dans les systèmes de réseau TN-C

Remarque: fusible de secours maxi (requis uniquement s'il n'est pas déjà disponible sur le réseau) 125 A gL / gG.
  • Testé avec impulsion de foudre
  • Garantie 5 ans
  • Communautés Européennes, déclaration de conformité CE selon les directives CE
  • EurAsian Conformity
  • Réseau 230/400 V
  • Protection combinée de type 1 et type 2
  • Passage de ZPF 0 jusqu'à 2
  • Report d'alarme
  • Empreinte CO₂ (PCF)
  • Emballage sans plastique
  • Packaging made entirely from recycled cardboard
Caractéristiques techniques

Caractéristiques techniques

Capacité d'extinction du courant de suivi (eff) [N-PE] 25 kA
Courant de choc de décharge (10/350) [total] 100 kA
Courant de choc de décharge (10/350 μs) 50 kA
Courant de décharge (8/20 µs) [total] 100 kA
Courant de décharge maximal (8/20 μs) 100 kA
Courant nominal de décharge (8/20 µs) 50 kA
Dimension 255V
Empreinte CO2 (GWP) du berceau à la porte 8,3204 kg CO2e / 1 Pièce
Fusible en amont max. 125 A
Indice de protection IP20
Modèle 3 pôles avec FS ; 255 V
Modèle des pôles 3
Nombre de pôles 3
Plage de températures d’utilisation max. 85 °C
Plage de températures d’utilisation min. -40 °C
Protection contre les surintensités côté réseau max 125
Report d'alarme oui
résistance aux courts-circuits 25 kA
Résistance aux courts-circuits avec la protection maximale contre les surtensions côté réseau 25 kA
Section de conducteur rigide (unifilaire/multifilaire) max. 50 mm²
Section de conducteur rigide (unifilaire/multifilaire) min. 10 mm²
signalisation sur l'appareil optique
Soufflant non
SPD selon CEI 61643-1 classe I+II
SPD selon EN 61643-11 type 1+2
Température de service max. 85 °C
Température de service min. -40 °C
temps de réponse <25 ns
Tension max. permanente CA 255 V
Tension max. permanente (L-N) 255 V
Tension nominale CA (50 / 60 Hz) 230 V
Type de montage Rail DIN 35 mm
type du réseau TN-C
ZPF 0→2
Tous les types

Tous les types

Type Modèle des pôles Tension max. permanente CA Indice de protection Réf. Quantité Plus petite unité de vente
PS3-B+C TNC+FS 3 255 V IP20 5089756
1 Pièce
Téléchargements

Télécharger

Télécharger

Déclaration de conformité UE PS3-B+C TNC+FS / 5089756 , 0.13MB , pdf
Télécharger

Télécharger
Télécharger

Aucun texte d'appel d'offres n'est disponible pour ce produit