Parafoudre type 3 pour alimentation électrique à 2 pôles avec report d'alarme 24 V CA/CC

Réf. 5097820 | EAN 4012195578185

5097820 / VF24-AC/DC-FS
2
34 V
46 V
IP20
Description du produit
Description du produit
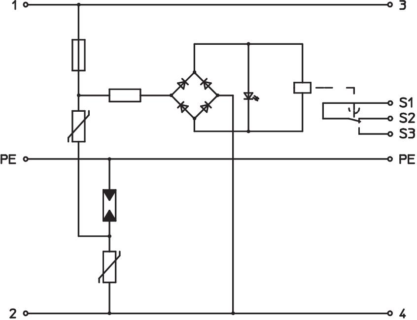
Parasurtenseur / protection fine type 3 selon EN 61643-11 avec report d'alarme

• Avec report d'alarme par contact inverseur libre de potentiel
• Convient aux systèmes à tension continue et alternative
• Avec voyant d'état
• Avec bornes de raccordement sans vis et faciles à monter
• Dimension modulaire compacte 17,5 mm
• Circuit en Y

Application : utilisation universelle sur rail profilé de 35 mm dans les armoires de distribution courantes.
  • Garantie 5 ans
  • Communautés Européennes, déclaration de conformité CE selon les directives CE
  • Protection selon NF EN 61643-11 (IEC 61643-11)
  • Passage de ZPF 2 à 3
  • Report d'alarme
  • Expertise électrotechnique de l'installation
  • Empreinte CO₂ (PCF)
  • Emballage sans plastique
Caractéristiques techniques

Caractéristiques techniques

classe de contrôle type 3 oui
Contacts FM Contact inverseur
Courant de décharge maximal (8/20 μs) 2 kA
Courant nominal de décharge (8/20 µs) 0,7 kA
Dimension 24V AC
Empreinte CO2 (GWP) du berceau à la porte 0,2757 kg CO2e / 1 Pièce
Fusible en amont max. 16 A
Indice de protection IP20
Modèle des pôles 2
Niveau de protection fil - fil <160 V
Niveau de protection fil - terre <1200 V
Niveau de protection [L-N] ≤1000
Nombre de pôles 3
OBO_Courant de charge nominal (borne d'entrée / de sortie) 20 A
Plage de températures d’utilisation max. 80 °C
Plage de températures d’utilisation min. -40 °C
Protection contre les surintensités côté réseau max 16
Report d'alarme oui
Section de conducteur rigide (unifilaire/multifilaire) max. 2,5 mm²
Section de conducteur rigide (unifilaire/multifilaire) min. 0,14 mm²
signalisation sur l'appareil optique
Soufflant non
SPD selon CEI 61643-1 classe III
SPD selon EN 61643-11 type 3
Température de service max. 80 °C
Température de service min. -40 °C
temps de réponse <25 ns
Tension max. permanente CA 34 V
Tension max. permanente CC 46 V
Tension nominale CA (50 / 60 Hz) 24 V
Type de montage Rail DIN 35 mm
type du réseau autres
ZPF 2→3
Tous les types

Tous les types

Type Modèle des pôles Tension max. permanente CA Tension max. permanente CC Indice de protection Réf. Quantité Plus petite unité de vente
VF24-AC/DC-FS 2 34 V 46 V IP20 5097820
1 Pièce
Téléchargements

Télécharger

Télécharger

Déclaration de conformité UE VF24-AC/DC-FS / 5097820 , 0.13MB , pdf
Télécharger

Télécharger
Télécharger

VF24-AC/DC-FS / 5097820
Télécharger