Protection moyenne et fine FLD pour systèmes à deux conducteurs, 24 V

Réf. 5098611 | EAN 4012195578383

5098611 / FLD 24
2
19 V
28 V
Borne
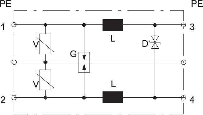
Description du produit
Description du produit
Protection contre les surtensions pour l'utilisation dans la technique de mesure, de commande et de régulation

• Protections moyenne et fine
• Modèle standard pour systèmes à deux conducteurs
• Circuit de protection à deux niveaux
• Avec bornes de raccordement sans vis et faciles à monter
• En dimension modulaire compacte de 17,5 mm
• Avec découplage inductif sur la branche longitudinale

Application : utilisation universelle sur rail profilé de 35 mm dans tous les boîtiers de distributeur courants.
  • Underwriters Laboratories Inc., USA
  • Garantie 5 ans
  • Communautés Européennes, déclaration de conformité CE selon les directives CE
  • Passage de ZPF 0 jusqu'à 3
  • Installations de mesure, commande et régulation
  • Expertise électrotechnique de l'installation
  • Empreinte CO₂ (PCF)
  • Emballage sans plastique
Caractéristiques techniques

Caractéristiques techniques

Affaiblissement d’insertion (insertion loss) 3 dB @ 180 kHz dB
Capacité (fil-fil) <10 nF
Capacité (fil-terre) <1 nF
contact de signalisation à distance non
Courant d'impulsion 1,5 kA
Courant de charge nominal CA 0,7 A
Courant de charge nominal CC 1 A
Courant de décharge total (10/350) D1: 3 kA
Courant de décharge total (8/20) 10 kA
Courant nominal de décharge (8/20 µs) 5 kA
Dimension 24V AC
Empreinte CO2 (GWP) du berceau à la porte 0,298 kg CO2e / 1 Pièce
Fréquence limite 0,18 MHz
Homologations UL
Indice de protection IP20
Inductance série par fil 120 µH ± 20 %
Kategorie Type 1+2+3 / D1+C2+C1
Mise à la terre par : Borne
Modèle testé antidéflagrant non
Niveau de protection fil - fil <60 V
Niveau de protection fil - terre <600 V
nombre de pôles 2
Norme d'essais IEC 61643-21
PAS (module17,5 mm) 1
Plage de températures d’utilisation max. 80 °C
Plage de températures d’utilisation min. -40 °C
Raccordement du blindage non
Résistance au courant de choc fil - fil C2: 5 kV / 2,5 kA (8/20µs)
Résistance au courant de choc fil - terre C2: 10 kV / 5 kA (8/20µs)
Résistance d'isolation >1 MΩ
Section de raccordement flexible max. 2,5 mm²
Section de raccordement flexible min. 0,14 mm²
Section de raccordement multifilaire max. 2,5 mm²
Section de raccordement multifilaire min. 0,14 mm²
Section de raccordement rigide max. 2,5 mm²
Section de raccordement rigide min. 0,14 mm²
SPD selon CEI 61643-21 Classe I+II+III / D1+C2+C1
Système enfichable Borne
Tension max. permanente CA 19 V
Tension max. permanente CC 28 V
ZPF 0→3
Tous les types

Tous les types

Type nombre de pôles Tension max. permanente CA Tension max. permanente CC Système enfichable Réf. Quantité Plus petite unité de vente
FLD 24 2 19 V 28 V Borne 5098611
1 Pièce
Téléchargements

Télécharger

Télécharger

Déclaration de conformité UE FLD 24 / 5098611 , 0.13MB , pdf
Télécharger
REACH Déclaration de conformité FLD 24 / 5098611 , 0.13MB , pdf
RoHS Déclaration de conformité FLD 24 / 5098611 , 0.13MB , pdf

Télécharger
Télécharger

FLD 24 / 5098611
Télécharger