Let op: Dit artikel staat op uitloop.

Overspanningsafleider V10 Compact, 150 V

Art.nr. 5093378 | EAN 4012195246268

IP20
Productbeschrijving
Productbeschrijving
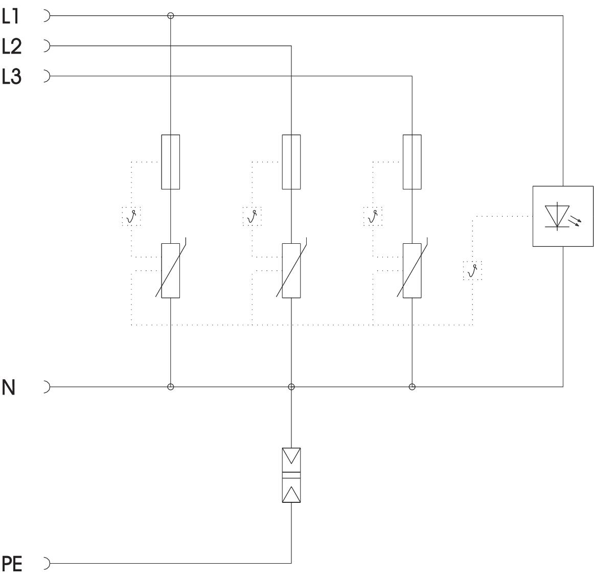
Overspanningsbeveiliging compacte module type 2+3

• Overspanningsbeveiliging in onderverdelingen conform VDE 0100-443 (IEC 60364-4-44)
• Afleidvermogen tot 60 kA (8/20) totaal
• Geïntegreerde 3+1-oplossing voor TN- en TT-netwerksystemen op 45-mm-modulebreedte
• Hoogvermogen varistortechniek
• Inclusief thermische en dynamische scheidingsinrichting en optische functie-indicatie

Toepassing: onder-/etageverdeling en apparaatbeveiliging van draaistroomsystemen.
  • 5 jaar productgarantie
  • Communautés Européennes, EG-conformiteitsverklaring volgens EG-richtlijnen
  • EurAsian Conformity
  • Overgang van LPZ 1 naar 3
  • Overspanningsbeveiliging conform DIN EN 61643-11 of IEC 61643-11
  • CO₂-voetafdruk (PCF)
  • Verpakking zonder kunststof
Technische gegevens

Technische gegevens

Aanspreektijd <25 ns
Afleidstroom (8/20 µs) [totaal] 60 kA
Afstandssignalisatie nee
Bedrijfstemperatuur max. 80 °C
Bedrijfstemperatuur min. -40 °C
Beschermingsgraad IP20
CO2-voetafdruk (GWP) van wieg tot poort 0,7051 kg CO2e / 1 Stuk
Dimensie 150V
Doorsnede geleider vast (een-/meeraderig) max. 10 mm²
Doorsnede geleider vast (een-/meeraderig) min. 2,5 mm²
Geïntegreerde voorzekering nee
Geschikt voor gebruik buiten nee
LPZ 1→3
Max. netzijdige overstroombeveiliging 63
Maximale afleidstootstroom (8/20 μs) 20 kA
Maximale continuespanning AC 150 V
Maximale voorverzekering 63 A
Montagetype DIN-rail 35 mm
Netvorm Overige
Netvorm TN ja
Netvorm TN-C-S ja
Netvorm TN-S ja
Netvorm TT ja
Nominale afleidstootstroom (8/20 μs) 10 kA
Nominale spanning AC (50/60 Hz) 120 V
Signalering op het apparaat optisch
SPD conform NEN-EN-IEC 61643-1 klasse II+III
SPD volgens EN 61643-11 Type 2+3
Temperatuurbereik max. 80 °C
Temperatuurbereik min. -40 °C
Testklasse type 2 ja
Testklasse type 3 ja
Uitblazend nee
Uitvoering 3+NPE
Uitvoering van de polen 3+N/PE
Volgstroomblusvermogen (eff) [N-PE] 0,1 kA
Alle typen

Alle typen

Type Uitvoering van de polen Maximale continuespanning AC Beschermingsgraad Art.nr. Aantal kl. VKE
V10 COMPACT 150 3+N/PE 150 V IP20 5093378
1 Stuks
V10-1+NPE 1+N/PE 255 V IP20 5093395
1 Stuks
Downloads

Download

Download

Download

Voor dit product zijn geen bestekteksten beschikbaar