Steekbare datakabelbeveiliging, 2x2-polig, directe aarding, met OS, 48 V

Art.nr. 5080364 | EAN 4012196742271

4
2x2-polig
Klem
Productbeschrijving
Productbeschrijving
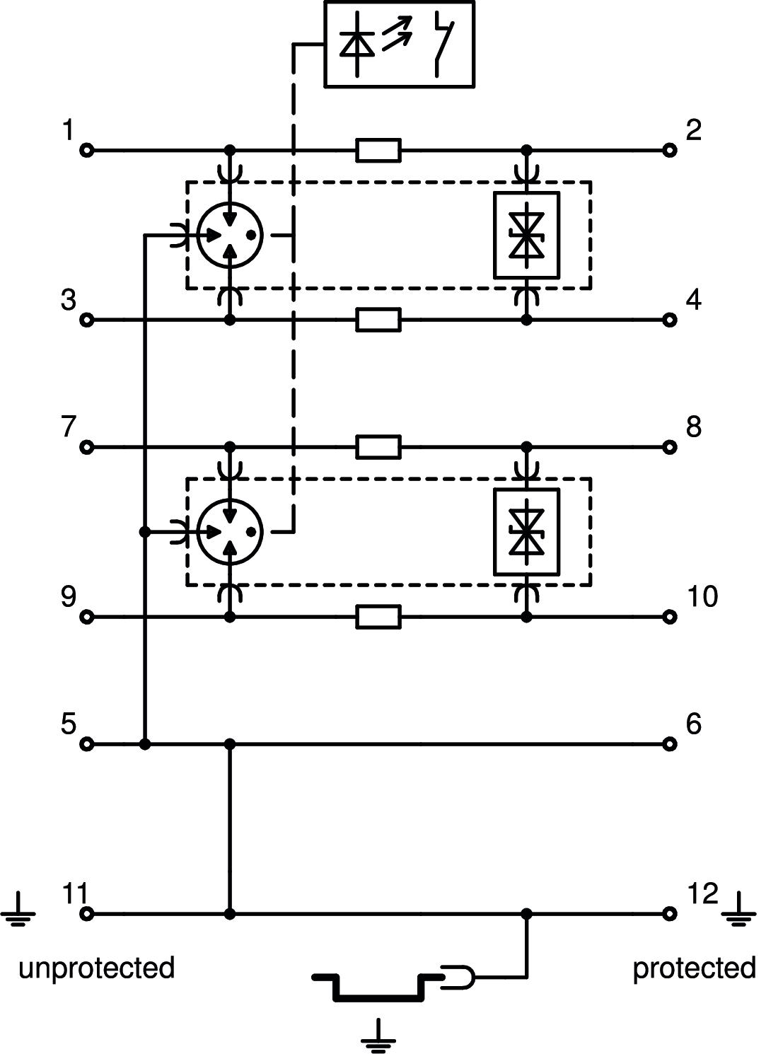
Insteekbare datalijnbeveiliging type 1 + 2 / D1 + C2 voor gebruik in meet-, regel- en regeltechniek

• Beveiligingsapparaat voor multi-core systemen
• Directe aarding van de afscherming
• Frequentiebereik tot 100 MHz
• Aarding mogelijk via de DIN-rail of aansluitkabel
• Kleine totale breedte van 12,5 mm
• Hoge systeembeschikbaarheid - geen signaalonderbreking zonder beveiligingsmodule
• Met optische signalering en mogelijkheid tot signalering op afstand via de PDP-PS voeding

Toepassing: universele bliksem- en overspanningsbeveiliging voor datatransmissieapparaten in MSR-technologie.
  • 5 jaar productgarantie
  • Communautés Européennes, EG-conformiteitsverklaring volgens EG-richtlijnen
  • Meet-, stuur- en regeltechniek
  • Overgang van LPZ 0 naar 2
  • Installation electrotechnical expertise
  • CO₂ footprint (PCF)
Technische gegevens

Aansluitmogelijkheden

Aansluitdoorsnede flexibel max. 1,5 mm²
Aansluitdoorsnede flexibel min. 0,14 mm²
Aansluitdoorsnede meeraderig max. 2,5 mm²
Aansluitdoorsnede meeraderig min. 0,14 mm²
Aansluitdoorsnede vast max. 2,5 mm²
Aansluitdoorsnede vast min. 0,14 mm²
Aantal polen 4
Aarding via: Aansluitkabel/DIN-rail
Afscherming direct
Afscherming aansluiting ja
Beschermingsgraad IP20
Beschermingsniveau ader - aarde 850 V
Beschermingsniveau ader - ader 170 V
Breedte 17,5 mm
Capaciteit (ader-aarde) ≤30 pF
Capaciteit (ader-ader) ≤30 pF
CO2-voetafdruk (GWP) van wieg tot poort 0,7765 kg CO2e / 1 Stuk
Dimensie 48V
Grensfrequentie 100 MHz
Hoogte 95 mm
Impulsstroom 2,5 kA
Insteeksysteem Klem
Invoegdemping (insertion loss) ≤3 dB
Kategorie Typ 1+2 / D1+C2
Langsweerstand 1.2 ± 5%
Lengte 75 mm
LPZ 0→2
Maximale continuespanning AC 37 V
Maximale continuspanning DC 52 V
Montage ingang/uitgang Schroefklemmen
Nominale afleidpiekstroom In conform C2 (totaal) 20 kA
Nominale afleidstootstroom (8/20 μs) 10 kA
Nominale belastingsstroom AC 0,425 A
Nominale belastingsstroom DC 0,6 A
Piekstroombestendigheid ader - aarde 10 kV / 5 kA
Piekstroombestendigheid ader - ader 10 kV / 5 kA
Signalering op het apparaat geen
SPD conform NEN-EN-IEC 61643-1 klasse I+II
SPD conform NEN-EN-IEC 61643-21 klasse I+II / D1+C2
SPD volgens EN 61643-11 Type 1 + 2
Standaard weerstand per ader 1,2 Ω ± 5%
Temperatuurbereik max. 80 °C
Temperatuurbereik min. -40 °C
Testnorm IEC 61643-21
Totale afleidstroom (10/350) 5 kA
Totale afleidstroom (8/20) 20 kA
Uitvoering 2x2-polig
Alle typen

Alle typen

Type Aantal polen Uitvoering Maximale continuespanning AC Maximale continuspanning DC Insteeksysteem Art.nr. Aantal kl. VKE
PDP-2x2-5-D-OS 4 2x2-polig 4,2 V 6 V Klem 5080357
1 Stuks
PDP-2x2-12-D-OS 4 2x2-polig 12 V 16 V Klem 5080359
1 Stuks
PDP-2x2-24-D-OS 4 2x2-polig 21 V 30 V Klem 5080361
1 Stuks
PDP-2x2-48-D-OS 4 2x2-polig 37 V 52 V Klem 5080364
1 Stuks
Downloads

Download

Download
Download

Download

Download
Download

PDP-2x2-48-D-OS / 5080364
Download