Attention : Cet article n'est plus actif. Vous pouvez trouver l’article actuel ici : 1187744 / Bride de fixation 2056 pied W, simple, plaque de pression en matière plastique, FT

Bride de fixation rapide, plaque de pression simple en matière plastique, FT

Réf. 1180525 | EAN 4012195075851

Description du produit
Description du produit
Convient pour les cornières d'une longueur de côté de 40 mm.
Pince et vis en acier galvanisé à chaud.
Plaque de pression en polypropylène, sans halogène, couleur gris clair RAL 7035.
  • sans halogène ; sans chlore, fluor et brome
  • Communautés Européennes, déclaration de conformité CE selon les directives CE
  • Cornière
  • Empreinte CO₂ (PCF)
Caractéristiques techniques

Caractéristiques techniques

Avec contre-plaque non
Avec patin de pression en plastique oui
Avec patin de pression métallique non
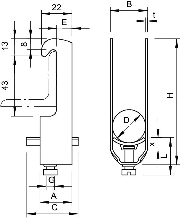
Cote A 25 mm
Cote B 57 mm
Cote C 40 mm
Cote L 32,5 mm
Cote t 2 mm
Cote x 6,5 mm
Dimension 46-52mm
Dimension E 13,5 mm
Dimension G (mm) M8
Dimension H 117 mm
Empreinte CO2 (GWP) du berceau à la porte 0,2351 kg CO₂e / 1 Pièce
Matériau acier
Matériau de la plaque Plastique
Max. Couple de serrage 5 Nm
Nombre de câbles/tubes 1
Plage de serrage D max. 52 mm
Plage de serrage D min. 46 mm
pour 1 câble H 117 mm
pour 1 câble L 32,5
pour 2 câbles H 172 mm
pour 2 câbles L 38,5 mm
pour diamètre de tube max. 50 mm
pour diamètre de tube min. 50 mm
Qualité du matériau de la plaque Polypropylène
Résistant aux chocs non
Sans halogène oui
Supplément matériau acier
Supplément surface galvanisé à chaud
Surface galvanisé à chaud par trempage
Type de montage Cornière lourde
Tous les types

Tous les types

Type Plage de serrage D min. Plage de serrage D max. Max. Couple de serrage Réf. Quantité Plus petite unité de vente
2056W 12 FT 8 mm 12 mm 3 Nm 1180126
100 Pièce
2056W 16 FT 12 mm 16 mm 3 Nm 1180169
100 Pièce
2056W 52 FT 46 mm 52 mm 5 Nm 1180525
100 Pièce
2056W 70 FT 64 mm 70 mm 5 Nm 1180681
50 Pièce
Téléchargements

Télécharger

Déclaration de conformité UE 2056W 52 FT / 1180525 , 0.13MB , pdf
Télécharger

2056W 52 FT / 1180525
Télécharger