Attention : Cet article n'est plus actif. Vous pouvez trouver l’article actuel ici : 1187702 / Bride de fixation 2056 pied W, simple, plaque de pression en matière plastique, FT

Bride de fixation rapide, plaque de pression simple en matière plastique, FT

Réf. 1180126 | EAN 4012195075431

Description du produit
Description du produit
Convient pour les cornières d'une longueur de côté de 40 mm.
Pince et vis en acier galvanisé à chaud.
Plaque de pression en polypropylène, sans halogène, couleur gris clair RAL 7035.
  • sans halogène ; sans chlore, fluor et brome
  • Communautés Européennes, déclaration de conformité CE selon les directives CE
  • Cornière
  • Empreinte CO₂ (PCF)
Caractéristiques techniques

Caractéristiques techniques

Avec contre-plaque non
Avec patin de pression en plastique oui
Avec patin de pression métallique non
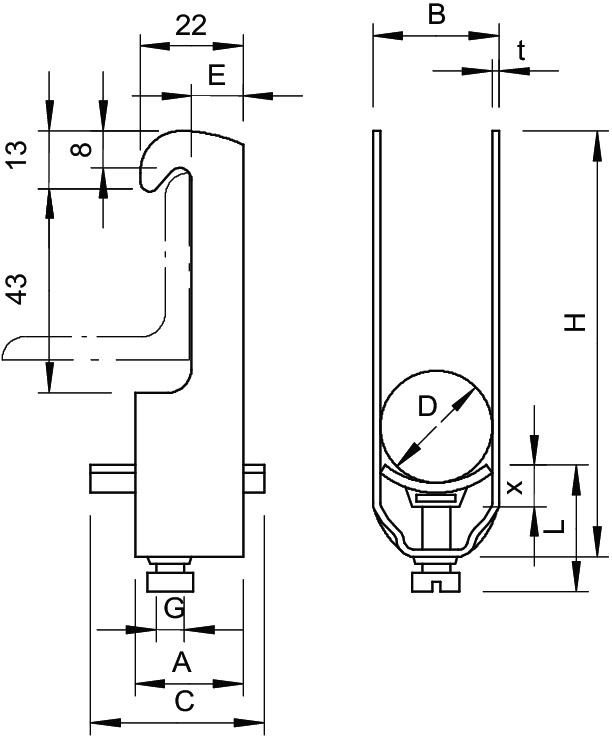
Cote A 23 mm
Cote B 16 mm
Cote C 34 mm
Cote L 27 mm
Cote t 1,5 mm
Cote x 5 mm
Dimension 8-12mm
Dimension E 11 mm
Dimension G (mm) M6
Dimension H 74 mm
Empreinte CO2 (GWP) du berceau à la porte 0,1083 kg CO₂e / 1 Pièce
Matériau acier
Matériau de la plaque Plastique
Max. Couple de serrage 3 Nm
Nombre de câbles/tubes 1
Plage de serrage D max. 12 mm
Plage de serrage D min. 8 mm
pour 1 câble H 74 mm
pour 1 câble L 27
pour 2 câbles H 88 mm
pour 2 câbles L 34 mm
pour 3 câbles H 102 mm
pour 3 câbles L 34 mm
Qualité du matériau de la plaque Polypropylène
Résistant aux chocs non
Sans halogène oui
Supplément matériau acier
Supplément surface galvanisé à chaud
Surface galvanisé à chaud par trempage
Type de montage Cornière lourde
Tous les types

Tous les types

Type Plage de serrage D min. Plage de serrage D max. Max. Couple de serrage Réf. Quantité Plus petite unité de vente
2056W 12 FT 8 mm 12 mm 3 Nm 1180126
100 Pièce
2056W 16 FT 12 mm 16 mm 3 Nm 1180169
100 Pièce
2056W 52 FT 46 mm 52 mm 5 Nm 1180525
100 Pièce
2056W 70 FT 64 mm 70 mm 5 Nm 1180681
50 Pièce
Téléchargements

Télécharger

Déclaration de conformité UE 2056W 12 FT / 1180126 , 0.13MB , pdf
Télécharger

2056W 12 FT / 1180126
Télécharger