Zware dakhaak voor PV-modulemontage, pannendak

Art.nr. 5901416 | EAN 4012197451165

Productbeschrijving
Productbeschrijving
Zware dakhaak voor monteren van fotovoltaïsche modules op schuine daken in combinatie met draagprofiel TP 45. Geschikt voor pannendaken. Bevestiging op draagprofiel met schroef met hamermoer type SKSHM A2. Montage op dakspanten met schijfkopschroeven TKS.
  • Communautés Européennes, EG-conformiteitsverklaring volgens EG-richtlijnen
  • CO₂ footprint (PCF)
  • Packaging without plastic
  • Packaging made entirely from recycled cardboard
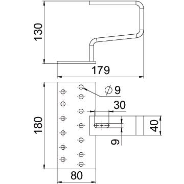
Technische gegevens

Afmetingen

Breedte 120 mm
Breedte bevestigingsplaat 80 mm
CO2-voetafdruk (GWP) van wieg tot poort 6,5458 kg CO2e / 1 Stuk
Dakdoorvoer vereist ja
Dimensie 192x180x130
Geschikt voor dakmateriaal Dakpan
Geschikt voor het bevestigen van fotovoltaïsche dak-/gevelbevestiging Bevestiging hellend dak
Hellinghoek min. 90 °
Hoogte bevestigingsplaat 5 mm
Kleur roestvrij staal
Lengte bevestigingsplaat 180 mm
Materiaal Roestvast staal 1.4301
Materiaaldikte 8 mm
Met montageplaat ja
Oppervlak gebeitst
Uitlijning Horizontaal
Verankering schroeven
Verstelbaar nee
Alle typen

Alle typen

Type Art.nr. Aantal kl. VKE
DHS A2 5901416
10 Stuks
Downloads

Download

Download

Voor dit product zijn geen bestekteksten beschikbaar