Kabelladder LG 110, 3 m VS FT

Art.nr. 6216435 | EAN 4012195065272

3000 mm
1,5 mm
nee
staal
thermisch verzinkt
Productbeschrijving
Productbeschrijving
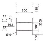
Kabelladder met zijperforatie, zijhoogte 110 mm, met vastgeklonken, naar boven toe geopende C-profielsporten.
Magnetische afschermingsdemping zonder deksel 10 dB, met deksel 15 dB

De kabelladder wordt in samengevouwen toestand geleverd.

De bijpassende beugelklem type 2056 vindt u in het gedeelte Verticale Laddersystemen.

  • Magnetische afschermingsdemping
  • Communautés Européennes, EG-conformiteitsverklaring volgens EG-richtlijnen
  • UKCA conformiteitsverklaring
  • Kabelladder, zijhoogte 110 mm
  • Environmental Product Declaration (EPD)
  • CO₂-voetafdruk (PCF)
Technische gegevens

Technische gegevens

Afmetingen 110x600x3000
Bevestiging van de sport blind geklonken
Breedte 600 mm
CO2-voetafdruk (GWP) van wieg tot poort 11,0062 kg CO2e / 1 Meter
Dimensie 110x600x3000
Functiebehoud nee
Hoogte 110 mm
Kleur zink
Lengte 3000 mm
Maat B 600 mm
Materiaal staal
Nuttige doorsnede 56800 mm²
Nuttige doorsnede 568 cm²
Oppervlak thermisch verzinkt
Plaatdikte 1,5 mm
Roestvast staal, gebeitst nee
Sleufmaat sport 16,50
Sportafstand 300 mm
Steunafstand 2,0 m 3,1 kN/m
Steunafstand 2,5 m 2 kN/m
Steunafstand 3,0 m 1,4 kN/m
Steunafstand 3,5 m 0,9 kN/m
Steunafstand 4,0 m 0,65 kN/m
Steunafstand 4,5 m 0,55 kN/m
Steunafstand 5,0 m 0,5 kN/m
Steunafstand 6,0 m 0,15 kN/m
Uitvoering van de sporten Profiel geperforeerd
Uitvoering van de zijkant Vlak profiel
Verspanuitvoering nee
Zijperforatie ja

Technische gegevens

Belastingsdiagram kabelladder LG 110 VS

Belastingsdiagram kabelladder LG 110 VS
  • Toegestane kabelgoot-/kabelladderbelasting in kN/m zonder manlast Toegestane kabelgoot-/kabelladderbelasting in kN/m zonder manlast
  • Ondersteuningsafstand in meters Ondersteuningsafstand in meters
  • Zijkantdoorbuiging in mm bij toegestane last in kN/m Zijkantdoorbuiging in mm bij toegestane last in kN/m
  • Belastingschema bij testmethode Belastingschema bij testmethode
  • Belastingscurve met kabelgoot/-ladderbreedte in mm Belastingscurve met kabelgoot/-ladderbreedte in mm
  • Zijkantdoorbuigingscurve afhankelijk van de steunafstand Zijkantdoorbuigingscurve afhankelijk van de steunafstand
Alle typen

Alle typen

Type Lengte Breedte Plaatdikte Functiebehoud Materiaal Oppervlak Art.nr. Aantal kl. VKE
LG 112 VS 3 FT 3000 mm 200 mm 1,5 mm nee staal thermisch verzinkt 6216423
3 m
LG 113 VS 3 FT 3000 mm 300 mm 1,5 mm nee staal thermisch verzinkt 6216426
3 m
LG 114 VS 3 FT 3000 mm 400 mm 1,5 mm nee staal thermisch verzinkt 6216429
3 m
LG 116 VS 3 FT 3000 mm 600 mm 1,5 mm nee staal thermisch verzinkt 6216435
3 m
Toebehoren

Systeemtoebehoren

Producten Type Art.nr. Aantal kl. VKE
Deksel met draaigrendel FT Deksel met draaigrendel FT DRL 600 FT 6051472
6 m
Koppelplaat FT Koppelplaat FT LVG 110 FT 6216548
10 Stuks
Scharnierverbinder FT Scharnierverbinder FT LGVG 110 FT 6216653
10 Stuks
Multifunctionele verbinder FT Multifunctionele verbinder FT LMFV 1160 FT 6225780
1 Stuks
90°-bocht 110 FT 90°-bocht 110 FT LB 90 1160 R3 FT 6225152
1 Stuks
T-stuk 110 FT T-stuk 110 FT LT 1160 R3 FT 6225320
1 Stuks
Aanbouw T-stuk 110 FT Aanbouw T-stuk 110 FT LAA 1160 R3 FT 6225940
1 Stuks
Scharnierbochtelement 110 FT Scharnierbochtelement 110 FT LGBE 1160 FT 6225520
1 Stuks
Beschermkap Beschermkap SKH 110 OR 6222553
20 Paar
Ophangbeugel Ophangbeugel LAW FT 6221513
10 Stuks
Aansluitstuk FT Aansluitstuk FT LAS 110 FT 6221424
10 Stuks
Scheidingsschot 85 DD Scheidingsschot 85 DD TSG 85 DD 6062331
45 m
Aftakplaat FT Aftakplaat FT LAB 60 FT 6220479
1 Stuks
Bodemplaat DD Bodemplaat DD ELB-L 60 DD 6103368
3 m
Downloads

Download

Download
Milieuproductdeclaratie (EPD) LG 116 VS 3 FT / 6216435 , 1.48MB , pdf
Download

Download
Download

LG 116 VS 3 FT / 6216435
Download